Замкнутый контур системы охлаждения.
N и Q - поток энергии и теплоты от внешних источников;
Q1 - поток теплоты, переданный воде при осуществлении рабочего процесса;
Q2 - поток теплоты, рассеянный в атмосфере при охлаждении воды в градирне.
В градирнях нагретая вода в виде пленок и капель контактирует с атмосферным ненасыщенным воздухом и частично испаряется, отбирая теплоту на испарение от основной массы воды. Для чисто испарительного охлаждения 1 кг воды на 50°С требуется испарить всего 8,4 г, т.е. около 0,84%.
В одних случаях режим охлаждения задается технологическим регламентом. В других случаях (компрессоры, холодильные машины) как можно более близкое к температуре окружающей среды охлаждение является главным условием наиболее экономного сжатия газов и выработки холода. В этом плане вентиляторные градирни - идеальный охладитель воды, поскольку испарительное охлаждение позволяет понижать температуру воды ниже температуры воздуха по сухому термометру.
Термодинамический предел понижения температуры - это температура по смоченному термометру.
|
tсух, 0С
|
25
|
35
|
15
|
|
?, %
|
40
|
60
|
80
|
40
|
60
|
80
|
40
|
60
|
80
|
|
tсмоч, 0С
|
15,6
|
19,1
|
22,2
|
23,2
|
27,8
|
31,6
|
8
|
10,5
|
12,9
|
В градирнях типа ГРД при стандартных условиях разность температуры охлаждаемой воды и смоченного термометра не превышает 5°С. Специальные мероприятия помогают снизить эту величину до 2°С.
2. Особенности оборотного цикла с градирней.
Приступая к организации локального водооборотного цикла с градирней, Заказчик должен иметь в виду следующие соображения:
- поток теплоты, переданный воде при осуществлении рабочего процесса на объекте Заказчика,
равен потоку теплоты, рассеянной в атмосферу градирней Q1=Q2 (см. схему на рис.1);
- если расходы воды, циркулирующей через теплообменный аппарат и градирню, одинаковы, то
понижение температуры воды на градирне равно ее повышению в теплообменном аппарате.
Величину ?t=t1-t2 определяет не градирня, а теплообменный аппарат при заданном тепловом
потоке Q1=Q2 и заданном расходе воды;
- градирня определяет, на каком температурном уровне всего процесса в цикле будет реализовано
это ?t: если градирня выбрана недостаточной (по тепловому потоку), температура воды всюду
повысится, одновременно повысится и температура рабочего процесса на объекте Заказчика;
если градирня выбрана избыточной, то температура холодной воды приблизится к температуре
по смоченному термометру (разность в 1-20С считается экономически неоправданной).
Из этого становится понятно, что если разность температуры входа-выхода воды на градирне, например, равна ?t=2°С вместо заявленных в паспорте 5°С, то это не означает, что градирня плохо работает. Причиной малого ?t является избыточный расход воды через объект охлаждения, либо завышенная расчетная величина теплового потока против действительной.
В более сложных схемах (например, двухконтурная - см. далее) связь между режимом работы объекта и градирни перестает быть однозначной.
3. Выбор градирни.
Основные параметры градирен
|
Модель градирни
|
ГРД-4
|
ГРД-8
|
ГРД-12
|
ГРД-16
|
ГРД-24
|
ГРД-32
|
ГРД-50
|
ГРД-100
|
ГРД-150
|
ГРД-350
|
|
Расход охлаждаемой воды, м3/час
|
4
|
8
|
12
|
16
|
24
|
32
|
50
|
100
|
150
|
350
|
|
Тепловой поток,* кВт
|
23,4
|
46,4
|
69,7
|
92,9
|
139
|
186
|
290
|
580
|
871
|
2031
|
|
Понижение температуры воды,0С
|
5
|
5
|
5
|
5
|
5
|
5
|
5
|
5
|
5
|
5
|
|
Количество форсунок, шт.
|
2
|
2
|
4
|
4
|
6
|
6
|
8
|
21
|
28
|
48
|
|
Количество вентиляторов, шт.
|
1
|
1
|
1
|
1
|
1
|
1
|
1
|
2
|
3
|
3
|
|
Диаметр рабочего колеса, мм
|
400
|
630
|
630
|
630
|
800
|
800
|
800
|
800
|
800
|
1200
|
|
Расход воздуха, тыс.м3/час
|
3
|
6,5
|
10
|
10
|
16
|
22
|
22
|
44
|
66
|
165
|
|
Расход подпиточной воды, м3/час
|
0,04
|
0,08
|
0,12
|
0,16
|
0,24
|
0,32
|
0,5
|
1
|
1,5
|
3,5
|
|
Масса,кг
|
– сухая
|
130
|
150
|
195
|
195
|
385
|
385
|
505
|
900
|
1285
|
3210
|
|
– мокрая
|
136
|
158
|
209
|
211
|
414
|
420
|
589
|
1048
|
1500
|
3806
|
|
Габаритные размеры корпуса, мм
|
690х 660х 1970
|
690х 660х 1970
|
968х 800х 2070
|
968х 800х 2070
|
2043х 863х 2415
|
2043х 863х 2415
|
2085х 850х 3350
|
2130х 2018х 3370
|
2227х 2938х 3367
|
2220х 5970х 4060
|
|
Уровень звукового давления на расстоянии 10м, дБ(А)
|
44
|
49
|
59
|
59
|
56
|
62
|
62
|
65
|
67
|
80
|
* при температуре смоченного термометра 19°С, относительной влажности 60% и охлаждении воды на 50.
Выбор градирни является лишь одним из элементов проектного решения водооборотного цикла, наряду с подбором насосов, емкостей, арматуры, фильтров, автоматики и т.д.
Проект должен разрабатываться специалистами-проектантами.
Чтобы найти оценочные решения, Вам необходимо заполнить опросный лист по ГРД.
Вентиляторная градирня типа ГРД. Опросный лист.
|
1.
| Объект(ы) охлаждения оборотной водой | |
|
2.
| Расход охлаждающей оборотной воды на объекте(ах) охлаждения, м3/ч | |
|
3.
| Температура оборотной воды, 0С *) | |
| |
| - требуемая на входе в объект охлаждения (выход из градирни) |
| |
| - на выходе из объекта охлаждения (вход в градирню) |
|
4.
| Отводимый на градирню тепловой поток *), | |
| |
| кВт (ккал/час) |
|
5.
| Режим работы охлаждаемого оборудования | ? непрерывный круглосуточный |
| |
| ? с перерывом на вечернюю и ночную смену |
| |
| ? непрерывный в течение ограниченного отрезка времени с остановкой (дать описание) |
|
6.
| Характер тепловой нагрузки на водооборотную систему | ? почти постоянная (отклонения не более + 10%) |
| |
| ? переменная с длительностью цикла порядка суток и амплитудой от 0 до 100% |
| |
| ? переменная другого характера (дать описание) |
|
7.
| Необходимость регулирования температуры воды и ее расхода в соответствии с условиями п.6 | ? Да |
| |
| ? Нет |
|
8.
| Степень ответственности охлаждаемого объекта | ? остановка объекта из-за отказа системы охлаждения не приведет к большим убыткам |
| |
| ? остановка объекта приведет к большим убыткам |
| |
| ? даже ухудшение работы системы охлаждения (без остановки) приведет к значительным убыткам |
|
9.
| Особенности эксплуатации в зимнее время | Перечислить отмеченные пункты разделов 5-8. Указать иные особенности. |
*) При отсутствии данных указать установленную мощность (электрическую и/или тепловую) всех объектов охлаждения. Для холодильных установок (в т.ч. холодильных компрессоров) указать кроме холодопроизводительности обязательно установленную мощность электродвигателя (или в крайнем случае мощность э/д и температуру в холодильной (морозильной) камере).
Полезная информация для заполнения опросного листа: если вы не уверены в точной величине теплового потока, который необходимо отвести на градирне, то можно руководствоваться следующими рекомендациями:
- при охлаждении компрессорной установки тепловой поток принимается равным установленной мощности
электропривода (это не относится к холодильным компрессорам);
- при охлаждении холодильной машины (или холодильного компрессора) тепловой поток, отводимый от конденсатора,
равен сумме установленной мощности электропривода и холодопроизводительности;
- во всех прочих случаях (термопластавтоматы, установки ТВЧ и т.д.) тепловой поток можно оценить по суммарным
энергозатратам всех видов на рабочий процесс.
При задании расхода воды следует помнить следующее:
- в поршневых компрессорах допускается повышение температуры воды в газомаслоохладителях и
рубашках цилиндров 15-20°С;
- в центробежных компрессорах повышение температуры на 5-10°С;
- при охлаждении конденсаторов холодильных установок (холодильных компрессоров) допускается повышение
температуры на 5°С;
- в общем случае, температура нагретой воды не должна превышать 40°С, т.к. начиная с этой границы резко
интенсифицируется процесс отложения загрязнений в водяном тракте теплообменника.
4. Устройство градирен ГРД.
Градирни имеют прямоугольную форму с нижним боковым расположением вентиляторов.
Градирни с ГРД-4 по ГРД-16 состоят из неразъемного корпуса, вентилятора с электроприводом, бака для слива охлажденной воды, расположенного в нижней части корпуса, оросителя, каплеуловителя, водораспределительного коллектора с форсунками, входного и выходного (сливного) водяных патрубков.
Градирни с ГРД-24 по ГРД-350 являются составными из блока и бака, далее как у ГРД-4-16. В ГРД-350 вентиляторы крепятся на собственной раме и соединяются с диффузорами посредством гибкой вставки.
 | Во всех моделях в баке над окнами диффузоров установлен наклонный козырек с отгибом вверх и гидравлическими уклонами от середины к боковым стенкам. Козырек служит для защиты оконных проемов от брызг и намерзания влаги в зимнее время на стенках проемов. В стандартном исполнении корпус градирни выполнен из нержавеющей стали марки 12Х18Н10Т. Трубчатый коллектор, несущая рама, вентиляторы с диффузорами - из углеродистой стали с покраской. |
Есть два специальных исполнения градирен ГРД:
- Все из нержавеющей стали.
- Все из углеродистой стали с покраской.
 |
Ороситель и каплеотделитель представляют собой пакеты гофрированных листов ПВХ толщиной 0,3-0,4 мм. Листы имеют косую гофру. Смежные листы уложены с встречным направлением гофры. Элемент пакета изображен на рисунке. В градирнях с ГРД-4 до ГРД-16 блок оросителя высотой 400 мм набирается из пакетов высотой 200 мм. В ГРД-24 и ГРД-32 ороситель высотой 540 мм набирается из пакетов такой же высоты. В ГРД-50:350 ороситель высотой 940 мм набирается из пакетов высотой 400 и 540 мм.
Пакет каплеуловителя имеет толщину (в направлении потока воздуха) не менее 75 мм, ширина пакета 140 мм.
|
Пакеты оросителя укладываются на решетку внутри градирни над баком в один или в два слоя. Пакеты каплеуловителя укладываются на решетку, приваренную к водораспределительному коллектору между трубами коллектора и стенками корпуса. В ГРД-350 укладываются два слоя каплеуловителя во взаимоперпендикулярных направлениях. (Модели ГРД-50:150 будут модернизированы под укладку двойного слоя каплеуловителя).
Охлаждаемая вода подается под давлением через входной патрубок в водораспределительный коллектор и распыляется цельнофакельными форсунками с углом распыла 120° на верхний торец пакета оросителя. Пройдя по каналам оросителя в виде пленки, вода струями стекает в бак. Воздух из окружающей среды подается вентилятором непосредственно в пространство под оросителем, проходит по каналам оросителя навстречу водяной пленке и через каплеуловитель покидает градирню.
Испарительное охлаждение воды происходит, главным образом, в каналах оросителя при противотоке воздуха и водяной пленки. Дополнительное охлаждение имеет место в баке и в пространстве между верхним срезом оросителя и форсунками. В жаркое время года при относительной влажности 50-60% минимальная температура охлажденной воды после градирни выше температуры "мокрого" термометра на 4-5°С. Для предотвращения значительного капельного уноса воды служит эффективный каплеуловитель. Затраты воды на испарение вместе с потерями через каплеуловитель (самые мелкие капли) составляет около 1% от расхода воды. При охлаждении воды на 15°С затраты на испарение с капельным уносом возрастают до 2,5%.
Повышение относительной влажности воздуха против обычно нормируемых 50-60% сближает температуры воздуха по сухому и смоченному термометрам. При фиксированном расходе воздуха на 1м³ воды это уменьшает долю испарительного охлаждения и повышает температурный уровень процесса в системе охлаждения относительно температуры окружающей среды.
|
Давление воды перед форсунками согласно расходной характеристике на рисунке, должно быть предусмотрено проектом системы водоснабжения. Количество форсунок в каждой модели указано в таблице.
Вентиляторы градирен могут быть укомплектованы двух- и трехскоростными электродвигателями (опция). Во второй таблице приведены марки одно-, двух- и трехскоростных электродвигателей для всех моделей градирен.
Для градирни с несколькими вентиляторами необходимо обеспечить одновременное включение и выключение всех вентиляторов, в том числе, и в результате аварийного отключения. При комплектации многоскоростными электродвигателями должно выполняться одновременное переключение скорости.
|  |
|
Модель градирни
|
Диаметр вентилятора, мм
|
Штатный э/д
|
Многоскоростной э/д
|
|
марка
|
марка
|
|
мощность, кВт/
|
мощность, кВт/
|
|
частота вращения, об/мин
|
частота вращения, об/мин
|
|
ГРД-4
|
400
|
АИР63А4
|
-
|
|
0,25/1500
|
|
ГРД-8
|
630
|
АИР80В6
|
АИР100S8/6
|
|
1,1/1000
|
1,25/970 1,0/710
|
|
ГРД-12
|
630
|
АИР80В4
|
АИР100S8/4
|
|
1,5/1500
|
1,7/1410 1,0/710
|
|
ГРД-16
|
630
|
АИР80В4
|
АИР100S8/4
|
|
1,5/1500
|
1,7/1430 1,0/720
|
|
ГРД-24
|
800
|
АИР100L6
|
-
|
|
2,2/1000
|
|
ГРД-32
|
800
|
АИР100S4(L4)
|
АИР100L8/6/4
|
|
3(4)/1500
|
3,0/1430 1,2/940 0,71/700
|
|
ГРД-50
|
800
|
АИР100S4(L4)
|
АИР100L8/6/4
|
|
3(4)/1500
|
3,0/1430 1,2/940 0,71/700
|
|
ГРД-100
|
800
|
АИР100S4(L4)
|
АИР100L8/6/4
|
|
3(4)/1500
|
3,0/1430 1,2/940 0,71/700
|
|
ГРД-150
|
800
|
АИР100S4(L4)
|
АИР100L8/6/4
|
|
3(4)/1500
|
3,0/1430 1,2/940 0,71/700
|
|
ГРД-350
|
1200
|
АИР132М6
|
АИР160S8/6
|
|
7,5/1000
|
7,5/960 5,5/750
|
Градирни монтируются на ленточном фундаменте, металлоконструкции или плите.
5. Транспортировка градирен.
Градирни транспортируются в разобранном состоянии. Расстыковывается бак и блок, отсоединяют вентиляторы и диффузоры. В ГРД-24:-350 вентиляторы крепятся на раме под баком, а диффузоры вставляются патрубками внутрь бака и крепятся на окнах бака своими фланцами. В ГРД-350 внутрь патрубков диффузоров вставляются опоры вентиляторов, которые также закрепляются на прямоугольных фланцах окон. Габаритные размеры для транспортировки приведены в таблице.
|
Модель градирни
|
ГРД-4
|
ГРД-8
|
ГРД-12
|
ГРД-16
|
ГРД-24
|
ГРД-32
|
ГРД-50
|
ГРД-100
|
ГРД-150
|
ГРД-350
|
|
Габаритные размеры для транспортировки, мм:
|
690х
|
690х
|
968х
|
968х
|
|
|
|
|
|
|
|
660х
|
660х
|
800х
|
800х
|
|
1970
|
1970
|
2070
|
2070
|
|
бак
|
|
|
|
|
1956х
|
1956х
|
1956х
|
2000х
|
1975х
|
1950х
|
|
1415х
|
1415х
|
1415
|
1395х
|
1395х
|
2080х
|
|
920
|
920
|
920
|
2028
|
2938
|
5970
|
|
блок
|
|
|
|
|
2043х
|
2043х
|
2085х
|
2130х
|
2227х
|
2220х
|
|
1000х
|
1000х
|
1935х
|
1975х
|
1975х
|
1980х
|
|
850
|
850
|
850
|
1944
|
2828
|
5626
|
6. Основные рекомендации по эксплуатации градирен.
Ороситель должен равномерно заполнять внутреннее пространство градирни, при монтаже оросителя не должно оставаться промежутков между блоками, так как через них может устремиться воздух, минуя блоки. Необходимо ликвидировать все повреждения конструкций оросителя и завалы их посторонними предметами (щитами, досками и т.д.). Стеснение живого сечения градирни и оросителя приводит к неравномерному распределению потоков воздуха и воды, что резко ухудшает работу градирни.
Неплотно уложенный каплеуловитель приводит к резкому увеличению уноса охлаждаемой воды. Плотность укладки пластин каплеуловителя должна быть такова, чтобы между пластинами было трудно просунуть руку.
Не рекомендуется регулировать работу градирни при положительных температурах воздуха периодическим отключением нагнетающих вентиляторов. Подаваемая форсунками вода эжектирует воздух и выталкивает его через вентиляторные окна. При высокой гидравлической нагрузке, характерной для градирен типа ГРД (20-30 м³/ч/м²), электродвигатели вентиляторов могут быть подвергнуты в этом случае воздействию водяных струй, тогда как их защита IP54 - защита от водяных брызг со всех сторон.
Проникновение внутрь корпуса или клеммной коробки капельной влаги приведет к выходу двигателя из строя. Кроме того, длительное пребывание неработающего двигателя в потоке насыщенного влажного воздуха создает эффект <насасывания> влаги, т.е. диффузии водяного пара внутрь корпуса через зазоры вокруг вала. При накоплении внутри некоторой <критической> массы влаги может наступить пробой изоляции.
7. Эксплуатация градирен в зимнее время.
В зимнее время крайне опасно обмерзание оросителя, т.к. это может привести к его деформации и обрушению. Обмерзание начинается обычно при температуре наружного воздуха ниже -10°С и происходит в местах, где подаваемый в градирню холодный воздух соприкасается с относительно небольшим количеством теплой воды (в местах с пониженной плотностью орошения).
Поэтому в зимний период не следует допускать колебаний тепловой и гидравлической нагрузок, необходимо обеспечивать равномерное распределение охлаждаемой воды по площади оросителя и не следует допускать понижения плотности орошения на отдельных участках. В связи с относительно большими скоростями входящего воздуха плотность орошения в вентиляторных градирнях в зимнее время целесообразно поддерживать не менее 10 м³/(м²час).
Для предупреждения большого обмерзания градирен необходимо уменьшать поступление в градирню холодного воздуха. Чем ниже температура входящего воздуха или меньше тепловая нагрузка на градирню, тем меньше должен быть расход воздуха. Критерием для определения необходимого расхода воздуха может служить температура охлажденной воды. Если расход поступающего воздуха регулировать таким образом, чтобы температура охлажденной воды в градирне была не ниже 12°С-15°С, то обледенение градирен обычно бывает невелико и не выходит за пределы допустимого.
Для уменьшения подачи холодного воздуха в градирню лучше всего использовать многоскоростные электродвигатели (см. табл.). Кроме того, можно установить на входных патрубках вентиляторов дросселирующие устройства (диафрагмы, дисковые щиты и т.д.). При наличии нескольких вентиляторов на одной градирне дросселирующие устройства должны быть одинаковыми на всех вентиляторах. Того же эффекта можно добиться, перекрывая равномерно сечение верхнего среза градирни. Перекрытие окон вентиляторов или верхнего среза градирни можно поставить в зависимость от температуры воды на выходе из градирни.
Для водооборотных систем, использующих несколько градирен, в зимнее время можно отключать часть из них, перебрасывая воду на оставленные в работе. Это помогает уменьшить обледенение градирен. Отключение должно быть полным и протекать в следующей последовательности: отключается вода, после чего отключаются вентиляторы. Коллектор с форсунками должны быть продуты сжатым воздухом, вентиляторы с электродвигателями демонтированы, верхний срез градирни закрыт щитами.
Нагнетательные вентиляторы подвержены обмерзанию. Это может быть вызвано рециркуляцией уходящего из градирни воздуха, содержащего мелкие капли воды (унос) и пар, который конденсируется при смешении с холодным наружным воздухом. Неравномерное образование льда на лопастях может привести к разбалансировке и вибрации вентилятора.
Нельзя регулировать работу в зимнем режиме периодическим отключением нагнетающих вентиляторов, т.к. при отсутствии избыточного давления в градирне подаваемая вода эжектирует воздух и выталкивает его через вентиляторные окна. При этом воздух выносит мелкие капли воды, которые замерзают на лопастях и обечайках вентиляторов. Кроме того, отключение вентиляторов способствует насасыванию влаги в электродвигатель.
Устройство обогревающего трубопровода (шланга) по периметру обечайки вентилятора с подачей в него части нагретой воды помогает предотвратить обмерзание обечайки работающего вентилятора при рециркуляции воздуха и в отдельных случаях обмерзание вентиляторов при их отключении. Возможен обогрев обечайки и с помощью гибкого электрического обогревателя мощностью не более 1 кВт.
8. Проектные рекомендации.
При проектировании водооборотных циклов с градирнями следует руководствоваться требованиями СНиП 2.04.02-84* <Водоснабжение. Наружные сети и сооружения>, раздел 11 и СНиП II-89-80* <Генеральные планы промышленных предприятий>.
Размещение градирен.
Учитывая, что в отличие от типовых секционных вентиляторных градирен компактные градирни типа ГРД имеют нижние боковые вентиляторы и расстояния от верхнего среза ГРД до оси вентилятора не превышает 3,5 м, необходимо пристальное внимание к размещению градирен во избежание рециркуляции воздуха (особенно в зимнее время). Ряд градирен следует формировать, как показано на верхнем рисунке. Если требуется установить два ряда градирен, то ориентация вентиляторов должна быть, как на нижнем рисунке.
Допускается установка градирен внутри помещений. Забор воздуха из помещения с одновременным выбросом его в помещение недопустим, т.к. на выходе из градирни влажность воздуха близка к 100%. Через короткое время работы градирня перестанет охлаждать воду, а ограждения помещения станут влажными. Нельзя забирать воздух из помещения и выбрасывать его за пределы помещения, поскольку через ворота, окна, из других помещений воздух будет затекать в том же количестве. Зимой это будет холодный воздух, на подогрев которого придется тратить энергию.
При установке градирни в помещении потребуется теплоизолированный воздуховод для подачи воздуха с улицы и такой же воздуховод для вывода его на улицу. Для компенсации связанных с этим потерь давления может потребоваться дополнительный вентилятор. Если позволяют размеры и несущая способность кровли, градирни можно устанавливать на здании. При этом необходимо соблюдение упомянутых выше правил формирования ряда и ориентации рядов друг к другу.
Гидравлические контуры градирен.
Полную информацию по данному вопросу можно получить из статьи А. Сандалевского <Гидравлические контуры градирен> журнал АВОК №5 1999г.
Здесь приведены лишь две основные схемы:
Двухконтурная схема имеет раздельные контуры приготовления и потребления воды. Она используется, когда расходы воды у потребителя и через градирни сильно отличаются. Кроме того, учитывая независимость работы градирен от режимов потребителя, данная схема допускает любое приближение температуры воды к температуре смоченного термометра, правда ценой увеличения мощности или количества градирен.
Помимо этого, для специальных случаев могут быть предложены различные модификации одно- и двухконтурных схем.
 |
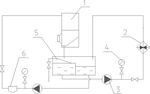
Одноконтурная схема подключения с использованием дренажного ресивера:
1 - градирня
2 - теплообменный аппарат
3 - циркуляционный насос
4 - КИП
5 - бак - ресивер
6 - фильтр
|
 |
Двухконтурная схема подключения:
1 - градирня
2 - теплообменный аппарат
3 - циркуляционный насос
4 - КИП
5 - бак - ресивер
6 - фильтр
|
Водоподготовка.
Уход воды на испарение и капельный унос в ГРД составляет на номинальном режиме около 1% расхода. Соответствующая подпитка в зависимости от источника может привносить в систему соли, микроорганизмы, механические загрязнения. Контакт циркулирующей воды с воздухом также может привести к растворению в ней различных газов и засорению. Нередко возникают и технологические загрязнения.
Методы предотвращения различных видов загрязнений и коррозии изложены в СНиП 2.04.02-84, раздел 11. Кроме того, имеется статья крупнейшего специалиста по борьбе с коррозией Ph. D. Bennett P. Boffardi <Водоподготовка для систем отопления, вентиляции, кондиционирования воздуха и холодильных установок> в журнале АВОК №6, 1999 г.
В целом вода в системе должна иметь pH около 7. Сильно кислая вода (pH<6) разрушает ороситель. Механические загрязнения должны отфильтровываться. Наличие масла в воде нежелательно, поскольку это снижает интенсивность тепло-массообмена в оросителе.
Проектные решения для работы в зимний период.
Возможны два предельных случая эксплуатационных режимов: непрерывный безостановочный с незначительными колебаниями тепловой нагрузки и режим с периодическим включением системы. Во втором случае при наличии специального технологического регламента на объекте Заказчика возможны различные варианты динамики теплового потока, например, от нуля до максимальной величины и снова до нуля.
Дать универсальное решение на все случаи невозможно. Поэтому здесь перечислены частные рекомендации, выбор которых в зависимости от степени ответственности объекта остается за проектантом:
- Установка на вентиляторах многоскоростных электродвигателей. Это позволяет уменьшить
расход воздуха в холодное время и снизить вероятность намерзания воды на внутренних
элементах градирни.
- Поставка в комплект с градирней гибких электронагревательных элементов для обматывания
обечаек вентиляторов. Прогрев обечаек предупреждает их обмерзание, а также обмерзание
лопастей вентиляторов при остановке вентиляторов. Намотанные нагреватели должны быть теплоизолированы.
- К воздухораспределителю должен быть подведен сжатый воздух для продувки системы
(форсунок) после отключения.
- Целесообразно устанавливать две или более мелких градирен вместо одной крупной. В зимнее
время всю нагрузку можно переключить на одну мелкую градирню и тем самым противостоять обмерзанию.
- Использование горячей воды, поступающей в градирню для оттаивания наледей внутри градирни.
- Исключить попытки выработки <бесплатного> холода в зимнее время охлаждением воды в градирнях до 5°С.